| LDE型智能電磁流量計 |
產品類型:流量計 |
|
|
概述:
LDE型智能電磁流量計是我公司采用國內外技術研制、開發的全智能型流量計,與其他廠家生產的老式模擬型或非智能型電磁流量計無可比擬,尤其在測量精度、可靠性、穩定性、使用功能和壽命等方面邁出了非常大的一步,是 測量強腐蝕性液體 的首選儀器設備。
與國外其他同類產品相比:
LDE型智能電磁流量計采用帶背光寬溫點陣型液晶顯示器,所有顯示都是中文,功能多而實用,特別方便使用者操作,減少不必要的麻煩和錯誤。
交貨快,成本低,維修方便。
與國內其他同類產品相比:
LDE型智能電磁流量計是我公司采用全智能化原理設計的,與原來國內一些企業生產的老式或假式智能化的電磁流量計在計量精度,功能,可靠性以及使用壽命上有非常大區別。 電磁流量計的使用壽命應該是在10-20年以上,所以我們在設計時就充分考慮廠到這一點,從傳感器到轉換器的每一個細節我們都非常仔細,從設計,選材,工藝,生產,測試等每一個環節我們都非常講究,自行設計定制國內專用與電磁流量計的生產流水線,切實保證產品的長期質量。 |
特點:
1.流量的測量不受流體的密度、粘度、溫度、壓力和電導率變化的影響,傳感器感應電壓信號與平均流速呈線性關系,因此測量精度高。
2.測量管道內無阻流件,因此沒有附加的壓力損失,測量管道不易堵塞;測量管道內無可動部件,因此傳感器壽命極長。
3.轉換器采用國際新的單片機(MCU)和表面貼裝技術(SMT),性能可靠,精度高,功耗低,零點穩定,參數設定方便。
4. 點陣中文顯示LCD,顯示累積流量、瞬時流量、流速、流量百分比等。
5.傳感器安裝不受液體流動方向限制,可實現雙向測流即正向或反向測量。
6.量程隨意設定,傳感器和轉換器可隨意互換。
7.安裝方便,可水平、垂直或傾斜任意角度安裝,對上游直管管道段要求較低。
8.使用方便、維護量少、使用壽命長、低功耗,可輸出標準電流和頻率脈沖及RS-485通訊。 |
工作原理: |
LDE型電磁流量計的測量原理是基于法拉第電磁感應原理定律:導電液體在磁場中作切割磁力線運動時,導體中產生感應電勢,其感應電熱E為
E = KBVD
|
| 式中: |
k--------儀表常數
B--------磁感應強度
V --------測量管道截面內的平均流速
D--------測量管道截面的內徑 |
測量流量時,導電性液體以速度V流過垂直于流動方向的磁場,導電性液體的流動感應出一個與平均流速成正比的電壓,其感應電壓信號通過二個或二個以上與液體直接接觸的電極檢出,并通過電纜送至轉換器通過智能化處理,然后LCD顯示或轉換成標準信號4~20mA和0~1kHz輸出。 |
|
技術參數: |
測量流體 |
-------------------- |
導電液體、漿液 |
電導率 |
-------------------- |
≥5 S/cm |
流速范圍 |
-------------------- |
0.5 ~ 10m/s |
擴展范圍 |
-------------------- |
0.1 ~ 15m/s |
精度等級 |
-------------------- |
< 500mm ± 0.5% ≥ 500mm ± 1.0% (正常流速) |
重復性 |
-------------------- |
<500 mm ± 0.5% ≥ 500mm 0.3%( 正常流速 ) |
工作壓力 |
-------------------- |
≤ 0.6MPa(DN11001200) |
----------------- |
≤ 1.0MPa(DN2001000) |
----------------- |
≤ 1.6MPa(DN100150) |
----------------- |
≤ 4.0MPa(DN6-80) |
流體溫度 |
-------------------- |
E級<80℃ |
----------------- |
H級<120℃ |
防護等級 |
-------------------- |
IP65 |
----------------- |
IP68 |
電極材料 |
-------------------- |
不銹鋼 |
----------------- |
鉑銥 |
----------------- |
哈氏 |
----------------- |
鉭 |
----------------- |
鈦 |
內襯材料 |
-------------------- |
天然橡膠 |
----------------- |
耐酸橡膠 |
----------------- |
氯丁橡膠 |
----------------- |
聚氨脂橡膠 |
----------------- |
聚四氟乙烯 |
法蘭材料 |
-------------------- |
碳鋼 |
輸出信號 |
-------------------- |
標準電源4~20 mA |
頻率 0 ~ 1kHz |
通訊 |
-------------------- |
RS-485 |
報警 |
-------------------- |
常開 |
工作電源 |
-------------------- |
DC24V10VA/AC220V10VA |
工作環境 |
-------------------- |
-45℃~0℃ |
溫度 |
操作 |
儲存 |
-------------------- |
20℃~55℃ |
濕度
操作 |
-------------------- |
非冷凝 |
@0~10℃ |
@10~30℃ |
-------------------- |
95% |
@30~40℃ |
-------------------- |
75% |
@40~45℃ |
-------------------- |
45% |
儲存 |
-------------------- |
非冷凝 |
@-20~55℃ |
海拔 |
-------------------- |
2000m |
操作 |
儲存 |
-------------------- |
9000m |
振動 |
-------------------- |
<2g |
沖擊 |
-------------------- |
<20g |
|
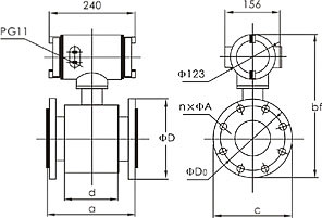
外形尺寸: |
|
| 測量流量時,導電性液體以速度V流過垂直于流動方向的磁場,導電性液體的流動感應出一個與平均流速成正比的電壓,其感應電壓信號通過二個或二個以上與液體直接接觸的電極檢出,并通過電纜送至轉換器通過智能化處理,然后LCD顯示或轉換成標準信號4~20mA和0~1kHz輸出。 |
如何選擇電極材料 |
應根據被測液體的腐蝕性來選擇電極的材料,請查有關防腐蝕手冊,對于特殊流體應作試驗。 |
材料 |
耐腐蝕性能 |
含鉬不銹鋼
(0Cr18Ni12Mo2Ti) |
硝酸、室溫下<5%的硫酸、沸騰的磷酸、蟻酸、堿溶液,在一定壓力下的亞硫酸、海水、醋酸 |
哈氏合金C
哈氏合金B
(HC 、HB ) |
海水、鹽水 |
鈦 (Ti) |
海水、各種氯化物和次氯化鹽酸、氧化性酸(包括發煙硝酸)、有機酸、堿 |
鉭 (Ta) |
除氫氟酸、發煙硫酸、堿外的其余化學介質,包括沸點的鹽酸、硝酸和<175℃硫酸 |
鉑 (Pt) |
各種酸、堿、鹽,不包括王水 |
|
如何選擇內襯材料 |
應根據被測介質的腐蝕性,磨損性和溫度來選擇內襯材料。 |
內襯材料 |
主要性能 |
適用范圍 |
天然橡膠
( 軟橡膠 ) |
1、較好的彈性,耐磨性和扯斷力
2、耐一般的弱酸、弱堿的腐蝕 |
1、80
2、測水、污水 |
耐酸橡膠
( 硬橡膠 ) |
可耐常溫下的鹽酸、醋酸、草酸、氨水、磷酸及50%的硫酸、氫氧化鈉、氫氧化鉀的腐蝕,但不耐強氧化劑的腐蝕 |
1、-25+90
2、測一般的酸、堿、鹽溶液 |
氯丁橡膠
(Neoprene) |
1、極好的彈性,高度的扯斷力,耐磨性能好
2、耐一般低濃度的酸堿、鹽溶液的腐蝕,但不耐氧化性介質的腐 |
1、<80℃;
2、測水、污水、泥漿和礦漿 |
聚胺脂橡膠
(Polyurethane) |
1 、極好的耐磨性能
2、耐酸、堿性能差 |
1、<40℃
2、測中性強磨損的煤漿、泥漿和礦漿 |
聚四氟乙烯
(PTFE) |
1、耐沸騰的鹽酸、硫酸、硝酸、王水、濃堿和各種有機溶劑
2、耐磨性能好,粘接性能差 |
1、-80~+180℃;
2、測濃度、濃堿強腐蝕性溶液及衛生類介質 |
|
正確選型 |
儀表的選型是儀表應用中非常重要的工作,據有關資料表明,儀表在實際應用中有2/3的故障是儀表的錯誤選型和錯誤的安裝而造成的,,特別注意。
·收集數據
① 被測流體名稱;
② 大流量、小流量;
③ 高工作壓力;
④ 高溫度、低溫度。
·被測流體必須具備一定的導電性,導電率≥5uS/cm。
·大流量和小流量,必須符合下表中的數。(擴展流程范圍0.1~15m/s)
|
內徑 mm |
6 |
10 |
15 |
20 |
25 |
32 |
40 |
小流量 L/ h |
10.20 |
28.30 |
63.60 |
120.0 |
176.0 |
290.0 |
452.0 |
大流量 L/h |
1520 |
4240 |
9540 |
16960 |
26500 |
43420 |
67850 |
內徑 mm |
50 |
65 |
80 |
100 |
125 |
150 |
200 |
小流量 m 3 /h |
0.700 |
1.190 |
1.800 |
2.820 |
4.410 |
6.360 |
11.30 |
大流量 m 3 /h |
106.0 |
179.0 |
271.0 |
424.0 |
662.0 |
954.0 |
1690 |
內徑 mm |
250 |
300 |
350 |
400 |
450 |
500 |
550 |
小流量 m 3 /h |
17.60 |
25.40 |
34.60 |
45.20 |
57.20 |
70.60 |
85.50 |
大流量 m 3 /h |
2650 |
3810 |
5190 |
6780 |
8570 |
10600 |
12800 |
內徑 mm |
600 |
700 |
800 |
900 |
1000 |
1100 |
1200 |
小流量 m 3 /h |
101.0 |
138.0 |
180.0 |
229.0 |
282.0 |
342.0 |
407.0 |
大流量 m 3 /h |
15200 |
20700 |
27100 |
34300 |
42400 |
51300 |
61000 |
|
·實際高工作壓力必須小于流量計的額定工作壓力。
·高工作溫度和低工作溫度必須符合流量計規定的溫度要求。
·確定是否有負壓情況存在。 |
如何選擇流量計的內徑 |
您可以根據“如何正確選型表”中的流量選擇相應的電磁流量計,若所選擇的電磁流量計的內徑與現在工藝管道的內徑不符,應進行縮管或擴營。
·若管道進行縮管,應考慮由于縮管引起的壓力損失是否會影響工藝流程。
·從產品價格上考慮,可以選擇較小口徑的電磁流量計,相對減少投資。
·測潔凈水時,經濟流速是2~3m/s,測易結晶的溶液時,應適當地提高流速,以防止電磁流量計的電極被覆蓋。 |
如何選擇防護等級及附加功能 |
防護等級 |
|
按照國家標準GB4208-84和國際電工委員會標準IEC529-76關于外殼防護等級的標準為:
·IP65:防噴水型,允許水龍頭從任何方向對傳感器噴水,噴水壓力為30kPa,出水量為2.5L/s,距離為3m。
·IP68:潛水型,長期工作在水中。
防護等級應根據實際情況來選擇,傳感器裝在地面以下,經常受水淹的,應選用IP68,傳感器安裝在地面以上,應選用IP65。
|
附加功能 |
LDE型電磁流量計的基本型已帶顯示、輸出4~20mA和0~1kHz報警等功能,可根據實際情況加選其他附加功能。
·分體安裝:傳感器需安裝在地面以下或其他原因,應選擇分體安裝方式。
·RS-485通訊 需傳感器和其他設備通訊,則需選 用RS-485通訊功能 。 |
如何在管道上安裝 |
·應安裝在水平管道較低處和垂直向上處,避免安裝在管道的高點和垂直向下處; |
|
| ·應安裝在管道上上升處; |
|
| ·在開口排放管道安裝,應安裝在管道的較低處; |
|
| ·若管道落差超過5m時,在傳感器的下游安裝排氣閥; |
|
| ·應在傳感器的下游安裝控制閥和切斷閥,而不應安裝在傳感器上游; |
|
| ·傳感器絕對不能安裝在泵的進出口處,應安裝在泵的出口處; |
|
| ·在測量井內安裝流量計的方式 |
|
1、入口 |
2、溢流管 |
3、入口柵 |
4、清洗孔 |
5、流量計 |
6、短管 |
7、出口 |
8、排放閥 |
|
如何正確選擇安裝節點:
|
正確地選擇安裝點和正確安裝流量計都是非常重要的環節,若在安裝環節失誤,輕者影響測量精度,重者會影響流量計的使用壽命,甚至會損壞流量計。 |
選擇安裝位置時需特別注意: |
·非測量電極的軸線必須近似于水平方向; |
|
·測量管道內必須完全充滿液體;
·流量計前方少要有5* D(D為流量計內徑)長度的直管段,后方少要有3* D(D為流量計內徑)長度的直管段; |
|
·流體的流動方向和流量計的箭頭方向一致;
·管道內要有真空會損壞流量計的內襯,需特別注意;
·在流量計附近應無強電磁場;
·在流量計附近應有充裕的空間,以便安裝和維護;
·若測量管道有振動,在流量計的兩邊應有固定的支座測量不同介質的混合液體時混合點與流量計之間的距離少要有30×D(D為流量計內徑)長度為方便今后流量計的清洗和維護,應安裝旁通管道; |
|
| · 安裝聚四氟乙烯內襯的流量計時,連接兩法蘭的螺栓應注意均勻擰緊,否則容易壓壞聚四氟乙烯內襯,好用力矩扳手。 |
型號說明 |
型號規格編碼表 |
規格代碼 |
說明 |
儀表種類 |
LDE |
智能電磁流量計 |
通徑代碼 |
- × × × |
例:100代表通徑 100 mm |
電極形式 |
1 |
標準固定式 |
2 |
刮刀式 |
3 |
可拆卸更換式 |
電極材料 |
-0 |
不銹鋼 |
1 |
鉑Pt |
2 |
哈氏B(HB) |
3 |
鉭Ta |
4 |
鈦Ti |
內襯材料 |
3 |
氯丁橡膠 |
4 |
聚胺酯橡膠 |
5 |
四氟F4 |
6 |
F46 |
7 |
F40 |
8 |
PO |
9 |
PPS |
額定壓力(Mpa) |
4.0 |
DN10-80 |
1.6 |
DN100-150 |
1.0 |
DN200-1000 |
0.6 |
DN1100-2000 |
0.25 |
DN2200 |
工作溫度 |
E |
< 80℃ |
H |
< 120℃ |
接地環 |
-0 |
無接地環 |
1 |
有接地環 |
防護等級 |
0 |
IP65防濺水型 |
1 |
IP68潛水型 |
轉換器型式 |
0 |
一體型 |
1 |
分體型 |
通訊 |
0 |
無 |
1 |
RS-485通訊接口 |
2 |
Hart |
3 |
PA總線 |
4 |
FF總線 |
外殼材料 |
0 |
碳鋼 |
1 |
不銹鋼 |
表體法蘭 |
0 |
碳鋼 |
1 |
不銹鋼 |
安裝配對法蘭 |
0 |
不帶 |
1 |
帶 |
供電電源 |
0 |
220VAC |
1 |
24VDC |
儀表量程 |
xxx |
例:(2000)表示20mA對應的大流量為2000m3/h |
|